RSK
Angebot
Produkt
Die Rückschlagklappe RSK überzeugt durch robuste Bauweise und aussergewöhnliche Wartungsfreundlichkeit für anspruchsvolle Industrieanwendungen.
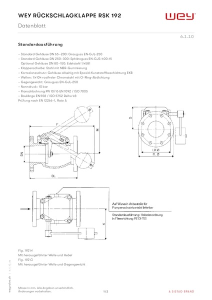
Mit der Rückschlagklappe RSK werden wir den heutigen hohen Ansprüchen voll und ganz gerecht. Spezielles Augenmerk ist auf eine robuste Konstruktion gelegt. Der Hauptunterschied gegenüber herkömmlichen Rückschlagklappen liegt darin, dass Klappenscheibe und Hebel nicht im Gehäuse, sondern im Deckel angebracht sind. Dadurch ergibt sich eine sehr gute Bedienungsfreundlichkeit, und zudem liegt nach dem Entfernen des Deckels das Klappengehäuse für jegliche Kontrolle auch im Leitungsnetz voll offen.
Eigenschaften
| Bauart | Rückschlagklappe |
| Gehäuseform | Doppelflansch-Gehäuse |
| Nennweiten | 65 – 300 mm |
| Werkstoff | Edelstahl, Grauguss, Sphäroguss |
| Druckbereich | 0 – 10 bar |
| Flanschbild/Bohrung | PN10 |
| Baulänge | EN 558 Grundreihe 48 |
Dokumente
Marke
Dieses Angebot wurde am Mittwoch, 29. April 2026, von der Firma SISTAG AG auf WAiSCH publiziert.

